激情在线免费视频I亚洲天堂精品I欧美一区在线看I亚洲资源在线I99精品国产在热久久I精品亚洲在线I不卡的av电影在线观看

協會官方微信

首頁  >>  通知公告  >>  正文

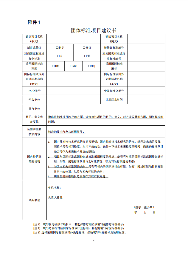
關于征集2026年度團體標準項目提案的通知

發布時間:2026-3-5     來源:中國儀器儀表行業協會    編輯:衡盛楠    審核:張經緯 王靜

中國儀器儀表行業協會版權所有   |   京ICP備13023518號-1   |   京公網安備 110102003807
地址:北京市西城區百萬莊大街16號1號樓6層   |   郵編:100037   |   電話:010-68596456 / 68596458
戰略合作伙伴、技術支持:中國機械工業聯合會機經網(MEI)